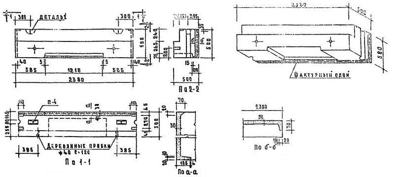
НБ-24.6.5П

Чертеж изделия:
Чертеж НБ-24.6.5П
Характеристики изделия:
ПараметрЗначение
Длина2380 мм
Ширина500 мм
Высота580 мм
Масса1155 кг
Нормативный документСерия 1.133-1

Стеновые легкобетонные блоки толщиной 50 см по Серии 1.133-1.

НБ-24.6.5П  Перемычечный блок.