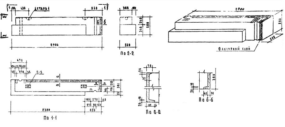
НБУ-29.6.5л

Чертеж изделия:
Чертеж НБУ-29.6.5л
Характеристики изделия:
ПараметрЗначение
Длина2900 мм
Ширина500 мм
Высота580 мм
Масса1545 кг
Нормативный документСерия 1.133-1

Стеновые легкобетонные блоки толщиной 50 см по Серии 1.133-1.

НБУ-29.6.5л   Поясной блок угловой.